Circuitos acoplados (I). El transformador
Inducción mutua
Con frecuencia el flujo a través de un circuito varía con el tiempo como consecuencia de las corrientes variables que existen en circuitos cercanos. Se produce una fem inducida mediante un proceso que se denomina inducción mutua.

Para ilustrar este hecho, supongamos que tenemos dos circuitos acoplados formados por una espira y un solenoide, tal como se muestra en la figura.
Supongamos que el solenoide está formado N espiras, de longitud l y de sección S recorrido por una corriente de intensidad i1. Denominaremos circuito primario al solenoide y secundario a la espira.
- El campo magnético creado por el solenoide (primario) suponemos que es uniforme y paralelo a su eje, y cuyo valor hemos obtenido aplicando la ley de Ampère
- Este campo atraviesa la sección de la espira (secundario), el flujo de dicho campo a través de la espira vale.
- Se denomina coeficiente de inducción mutua M al cociente entre el flujo a través del secundario Φ2 y la intensidad en el primario i1.
S es la sección del solenoide, no de la espira, ya que hemos supuesto que fuera del solenoide no hay campo magnético.
El coeficiente de autoinducción solamente depende de la geometría de los circuitos y de su posición relativa. La unidad de medida del coeficiente de inducción mutua se llama henry, abreviadamente H, en honor a Joseph Henry.
f.e.m. inducida
Cuando la intensidad de la corriente i1 en el primario cambia con el tiempo, se induce en el secundario una f.e.m. V2 que se opone a los cambios de flujo.
Aplicamos la ley de Faraday. derivando el flujo que atraviesa el secundario Φ2=M·i1 respecto del tiempo
La fem en el secundario V2 siempre actúa en el sentido que se opone a la variación del flujo producido por el primario.
El transformador
Hace algo más de un siglo que se inventó este dispositivo que ha hecho posible la distribución de energía eléctrica a todos los hogares, industrias, etc. Si no fuera por el transformador tendría que acortarse la distancia que separa a los generadores de electricidad de los consumidores.
El transformador lo encontramos en muchos lugares, en las lámparas de
bajo consumo, cargadores de pilas, en sótanos de edificios, en las centrales
hidroeléctricas y otros generadores de electricidad. Su tamaño puede variar desde muy
pequeños a enormes transformadores que pueden pesar más de 500 Tm.
El primario y el secundario de un transformador tienen el mimo núcleo de hierro que asegura que el flujo a través de cada espira sea el mismo.
Sea φ el flujo del campo magnético a través de cada espira.
Si la corriente en el primario i1 varía con el tiempo se produce en el secundario una fem inducida V2.
Si cambiamos los papeles de modo que el secundario pase a ser primario y viceversa
Dividiendo ambas expresiones, obtenemos la relación de transformación
Por ejemplo si el secundario tiene N2=5N1 resulta que V2=5V1, y dicho transformador aumenta en el secundario la tensión del primario y se llama transformador elevador. Para que un transformador sea reductor deberá tener menos espiras en el secundario que en el primario.
Si no hay pérdidas de energía en el proceso de transformación por corrientes de Foucault y otras pérdidas en el núcleo laminado de hierro, se cumplirá que la energía por unidad de tiempo (potencia) en el primario será la misma que en el secundario
P=i1·V1=i2·V2
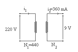
Ejemplo
Una radio funciona con corriente de 9V y 360 mA. Si el primario del transformador tiene 440 vueltas. ¿Cuántas hemos de ponerle al secundario?
Transformamos
una tensión en el primario de 220 voltios a 9 voltios en el secundario
Si no hay pérdidas de energía. La potencia en el primario debe ser igual a la del secundario.
220·i1=9·360 por lo que i1=14.7 mA
Al aumentar la tensión disminuye la intensidad, este hecho es empleado para transportar la electricidad a grandes distancias reduciendo las pérdidas por efecto Joule. En una central eléctrica, el generador está conectado al primario de un transformador de elevación de tensión, mientras que las líneas de transporte de electricidad están conectadas al secundario. En el primario hay una intensidad alta, con un valor moderado de la tensión. En el secundario, la tensión se eleva hasta cerca de 500 000 V y por consiguiente, la corriente en el secundario se reduce en la misma proporción. Como las pérdidas por efecto Joule son proporcionales al cuadrado de la intensidad, al disminuir la intensidad en el secundario se reducen las pérdidas por calentamiento.
En el otro extremo de la línea, debe utilizarse un transformador reductor para disminuir la tensión, de forma que podamos usar la electricidad de forma más cómoda y segura, y podamos disponer de una corriente de mayor intensidad.
