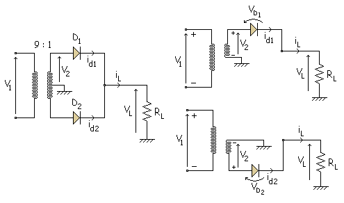
La siguiente figura muestra un rectificador de onda completa con 2 diodos:

Debido a la conexión en el centro del devanado secundario, el circuito es equivalente a dos rectificadores de media onda.
|
|
El rectificador superior
funciona con el semiciclo positivo de la tensión en el secundario, mientras que
el rectificador inferior funciona con el semiciclo negativo de tensión en el
secundario.
Es decir, D1 conduce durante el semiciclo positivo y D2 conduce durante el semiciclo negativo. Así pues la corriente en la carga rectificada circula durante los dos semiciclos. En este circuito la tensión de carga VL, como en el caso anterior, se medirá en la resistencia RL. |
Aplicamos Fourier como antes.
Ahora la frecuencia es el doble que la de antes y el pico la mitad del anterior caso. Así la frecuencia de la onda de salida es 2 veces la frecuencia de entrada.

Y el valor medio sale:

Es un simulador de un rectificador de onda completa con dos diodos. En el apartado Datos podemos introducir los valores de la tensión de entrada, la relación de espiras, la frecuencia y la resistencia de carga.
En los apartados "Aproximación y Tipo" elegimos el tipo de diodos que queremos para la simulación.
Cada vez que metamos nuevos datos, tenemos que pulsar la tecla "Calcular" para ver los nuevos resultados.
También se puede variar la escala del eje X y del eje Y, al igual que se haría en un osciloscopio.
Para ver el tipo de señal que hay en cada punto, elegimos en el área "Ver Gráficas".
